4-Bar Linkage System

An Oil Pump Jack model

Configuration

This oil pump jack model made on SolidWorks is an example of 4-bar linkage that respects the grashof conditions (the shortest link is able to fully rotate if the sum of the longest and shortest links is less or equal to the sum of the other 2 links). It is composed by the base, the rocker (output), the coupler, and the crank (input).

To determine the configuration of a 4-bar linkage, we start by identifying the shortest link. From this, we can classify the linkage as a crank-rocker configuration. There is a more detailed method available for identifying the configuration, which is fully described in the complete project document provided here.

Constraints

Another constraint for the project was a motion boundary limited to 8.5 inches by 11 inches. Below, you'll find the lateral view and a demonstration video showing how the mechanism moves within this boundary.

Exploded View

This is the exploded view of the model with the relative BOM.

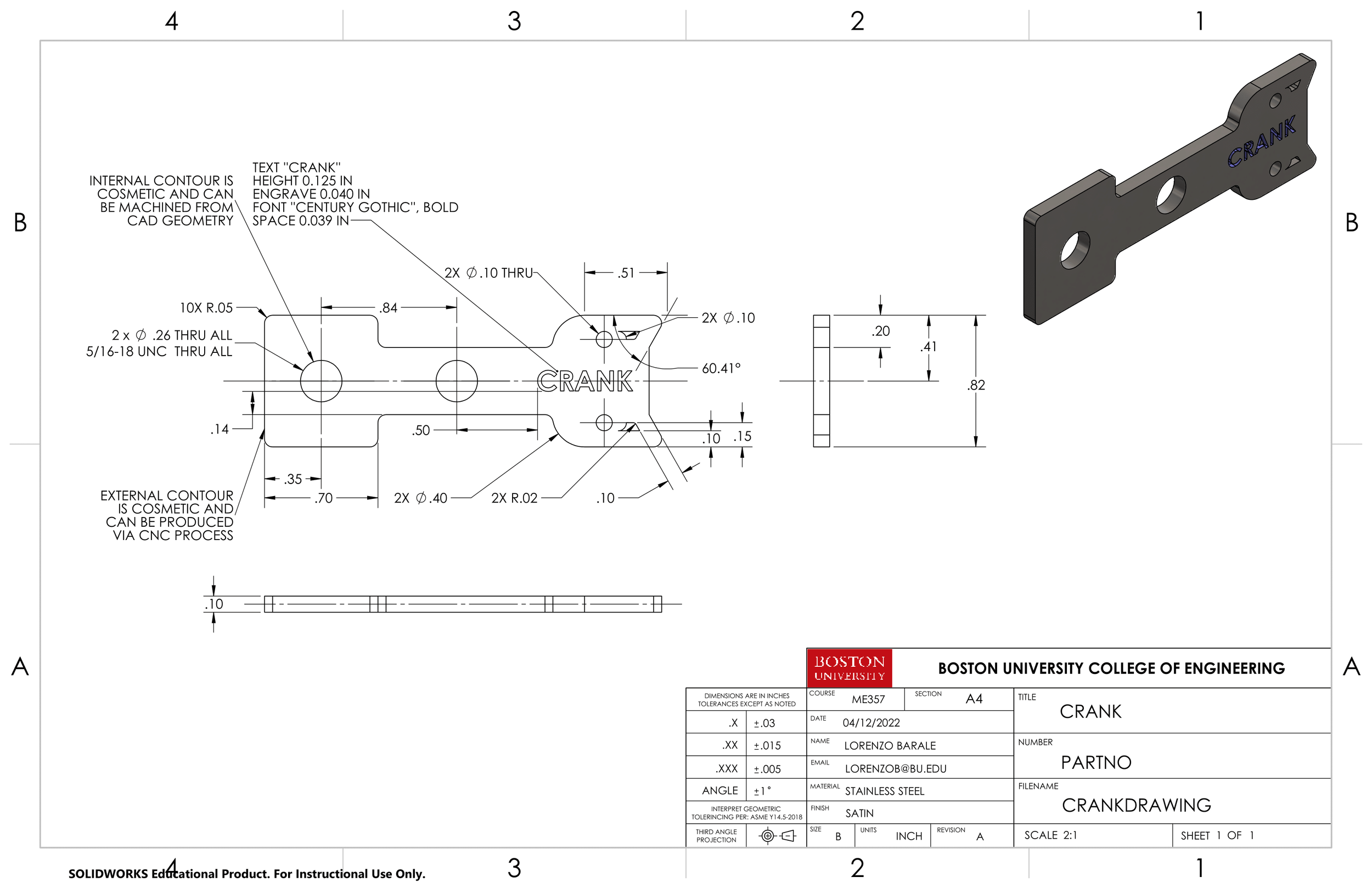
Components

Here are the CAD files of all the 4 components: the base, the rocker, the coupler, and the crank.

← Back to Projects